|
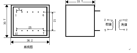
一、特点: 1、小巧轻便,印刷线路板直接焊接安装; 2、全封闭,机械和耐环境性能好,电压隔离能力强,安全可靠。 二、使用环境条件: 1、环境温度:-55℃~+85℃; 2、相对湿度:温度为40℃时不大于90%。 三、工作频率范围:20Hz~20KHz。 四、绝缘耐热等级:B级(130℃)。 五、安全特性: 1、绝缘电阻:常态时大于1000MΩ; 2、抗电强度:可承受工频6000V/1分钟; 3、阻 燃 性:符合UL94-Vo级。 六、外形图、安装尺寸和线圈图:

七、性能参数:
|
型号 |
额定输入 |
额定输出 |
误差线性度 |
线性范围 |
额定点角差 |
隔离耐压 |
|
HKPT2639 |
0 ~ 450V |
0 ~ 7.07V |
0.1L |
1.2 倍 |
〈 5 ′ |
2 500V |
八、使用说明: HKPT2639 系列电压变换器:引针 1 、 2 为初级,引针 4 、 5为次级,引针 1 与引针 5 为同名端,引针 3 为屏蔽。 |