|
一、特点: 1、输入线圈为内置式;小巧轻便,印刷线路板直接焊接安装; 2、全封闭,机械和耐环境性能好,电压隔离能力强,安全可靠。
二、使用环境条件: 1、环境温度:-40℃~+85℃; 2、相对湿度:温度为40℃时不大于90%。
三、工作频率范围:20Hz~20KHz。 四、绝缘耐热等级:B级(130℃)。 五、安全特性: 1、绝缘电阻:常态时大于1000MΩ; 2、抗电强度:可承受工频2500V/1分钟; 3、阻燃性:符合UL94-Vo级。
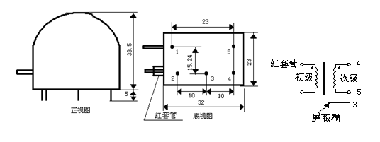
六、外形图、安装尺寸和线圈图:

七、性能参数:
|
型号 |
额 定输入 / 输出 |
误差线性度 |
线性范围 |
额定点角差 |
隔离耐压 |
|
HKCT2126-5A/0 ~ 10V |
5A/0 ~ 10V |
0.1L |
>120% |
5 ′~ 10′ |
2500V |
|
HKCT2126-10A/0 ~ 10V |
10A/0 ~ 10V |
0.1L |
>120% |
|
八、使用说明: TYCT26NE 测量用电流变换器:立式引针,初级侧引线方式。初级套红色套管的侧引线在引针 3侧,且与引针 4为同名端。引针4 、 5 为次级,引针 1 、 2 只起固定作用(引针也可与引线相连),引针 3 为屏蔽。 |