|
一、特点: 1、卧式穿芯印刷线路板直接焊接安装、外形美观; 2、体积小,精度高;全封闭,机械和耐环境性好,电压隔离能力强,安全可靠。 二、使用环境条件: 1、环境温度:-40℃~+85℃; 2、相对湿度:温度为40℃时不大于90%;
三、工作频率范围:20Hz~20KHz。 四、绝缘耐热等级:B级(130℃)。
五、安全特性: 1、绝缘电阻:常态时大于1000MΩ; 2、抗电强度:可承受工频6000V/1分钟; 3、阻燃性:符合UL94-Vo级。
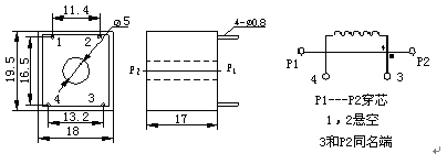
六、外形图、安装尺寸和线圈图:(输出绕组引脚间距宽)见下图。

七、性能参数: 1、 用电阻法直接获得采样电压时(如下图一所示) ,性能参数见表一; 2、 用IC法获行采样电压时(如下图二所示),性能参数见表二;

表一:
|
产品型号 |
额定输入电流 |
额定输出电流 |
额定采样电阻RL |
额定采样电压 |
相移 |
非线
性度 |
线性 范围 |
耐压 |
|
HKCT2132C-5A/5mA |
5A |
5mA |
20Ω |
0.1V |
≤20 |
≤0.2% |
≥2倍额定 |
≥6KV |
|
HKCT2132C-5A/2.5mA |
5A |
2.5mA |
40Ω |
0.1V |
≤20 |
表二:
|
产品型号 |
额定输入 电流 |
额定输出 电流 |
额定采样电压 |
相移 |
非线性度 |
线性范围 |
耐压 |
|
HKCT2132C-5A/5mA |
5A |
5mA |
≤1/2倍IC电源电压 |
≤5 |
≤0.1% |
≥2倍额定 |
≥6KV |
|
HKCT2132C-5A/2.5mA |
5A |
2.5mA |
八、注意事项: 1.电流变换器初级应串联于被测电流回路中,次级应近似工作于短路状态。 2.电流变换器次级电路不允许开路,所以请不要装熔断器。 |