HKCT020微型精密交流电流互感器
一、特点:
1、次级输出为引线式,外形美观,方便焊接安装、;
2、体积小,精度高;全封闭,机械和耐环境性能好,电压隔离能力强,安全可靠。
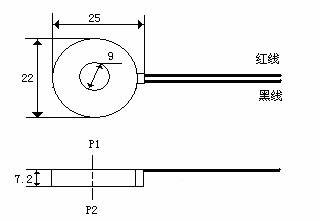
二、外形图、安装尺寸图:

三、性能参数:
用电阻法直接获得采样电压时(如下图所示),性能参数见表一;
表一:
|
产品型号 |
额定输入 电流 |
额定输出电流 |
额定采样 电阻RL |
额定采样电压 |
相移 |
非线 性度 |
耐压 |
|
HKCT020M |
0-20A |
0-20mA |
100Ω |
2V |
≤5’ |
≤0.1% |
≥6KV |
四、使用说明:
HKCT020微型精密交流电流互感器:穿心母线P2端与红色引线为同名端。引线长度可根据用
户要求设计。按照欧美客户要求制作,外形尺寸及性能参数均符合欧美客户要求。