|
|
|
| 您当所在的位置: HKCT91M |
| 产品详细介绍: |
HKCT91M系列大电流精密互感器
一、特点: 1、采用立式穿心底座固定方式,安装牢固; 2、全封闭,机械和耐环境性能好,电压隔离能力强,外形美观。
二、安全特性: 1、绝缘电阻:常态时大于1000MΩ; 2、抗电强度:可承受工频6000V/1分钟; 3、阻 燃 性:符合UL94-Vo级
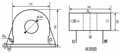
三、外形图、安装尺寸和线圈图: (如下图所示)。
 
四、性能参数:
|
型号 |
额定 输入 |
额定 输出 |
误 差 线性度 |
线性 范围 |
额定点 角 差 |
隔离 耐压 |
|
HKCT91M |
50A~1000A |
0~200mA |
0.2L |
1.2倍 |
〈5´ |
6KV |
五、使用说明: HKCT91M大电流精密互感器:穿心母线A端与黄色引线为同名端。引线长度可根据用户要求设计。 |
| |
返回 |
|
|
|