HKCPT32A型卧式穿芯小型精密交流电压电流通用互感器
一、特点:
1、既可作电压互感器使用,又可作电流互感器使用;
2、全封闭,机械和耐环境性能好,电压隔离能力强,外形美观;
3、卧式穿芯,印刷线路板直接焊接安装;
4、引出脚间距按2.54mm网格排列,适应计算机布板要求;
5、小巧轻便,精度高,采样范围宽,应用灵活。
二、安全特性:
1 绝缘电阻:常态大于1000MΩ;
2 抗电强度:用作电压互感器时3000V/1分钟
用作电流互感器时6000V/1分钟
3阻 燃 性:符合UL94-Vo级
三、外形图、安装尺寸和线圈图:

四、性能参数:
1、作电压互感器使用时:
HKCPT32A作电压互感器使用时是一种电流型电压互感器,典型应用如图一和图二,性能参数见表一;

图 一 图 二
表一:
|
使用方法
|
输入电压 |
输出电压 |
相移 |
非线性度 |
线性范围 |
额定电流 |
耐压 |
|
图一法 |
≤1000Vac |
≤1.2V |
≤30’ |
≤0.2% |
1.5倍额定 |
2mA/2mA |
≥3KV |
|
图二法 |
≤1000Vac |
≤1/2倍IC电源电压 |
≤5’ |
≤0.1% |
2倍额定 |
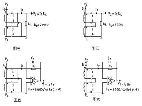
2、作电流互感器使用时:
HKCPT32A作电流互感器应用时,用户只要在中心孔内穿1匝母线作为输入线圈,其次级有四种应用
方法,分别如下图三、四、五、六。性能参数见下表二和表三。

表二:
|
使用方法
|
额定输入电流 |
额定输出电流 |
额定采样电阻 |
额定采样电压 |
相 移 |
非线 性度 |
线性 范围 |
耐 压 |
|
图三法 |
5A |
5mA |
200Ω |
1.2V |
≤30’ |
≤0.2% |
1.5倍额定 |
≥6KV |
|
图四法 |
10A |
5mA |
400Ω |
2.4V |
≤20’ |
表三:
|
使用方法 |
额定输入 电流 |
额定输出 电流 |
额定采样 电压 |
相移 |
非线性度 |
线性范围 |
耐压 |
|
图五法 |
5A |
5mA |
≤1/2倍Ic电源电压 |
≤5’ |
≤0.1% |
≥2倍额定 |
≥6KV |
|
图六法 |
10A |
5mA |
五、注意事项:
本型互感器不管作电压互感器使用,还是作电流互感器使用时,其原理都是电流型互感器,所以次级电路
不允许开路使用,也因于此,请不要在次级回路安装熔断器。